Xilinx Platform Cable Usb Ii Dlc10

Used Xilinx Platform Cable Usb Ii Dlc10 150 00 Picclick

Usd 231 79 Xilinx Usb Fpga Cpld Downloader Cable Platform Cable Usb Ii Hw Usb Wholesale From China Online Shopping Buy Asian Products Online From The Best Shoping Agent Chinahao Com

Usd 231 79 Dlc10 Hw Usb Ii G Xilinx Download Cable Cable Platform Ii Wholesale From China Online Shopping Buy Asian Products Online From The Best Shoping Agent Chinahao Com
Xilinx Platform Cable Usb Ii Dlc10 のギャラリー

Usd 470 00 Original Imported Hw Usb Ii G Xilinx Download Line Dlc10 Platform Cable Usb Ii Wholesale From China Online Shopping Buy Asian Products Online From The Best Shoping Agent Chinahao Com

Xilinx Platform Cable Usb Ii Dlc10 Jtag Emulator Programmer For Sale Online Ebay

Xilinx Manual

Platform Cable Usb Ii

Hongirt Lot Of 2 Xilinx Platform Platform Usb Ii Hw Usb Ii Dlc10 Jtag Emulator Programmer Color Red Amazon Co Uk Computers Accessories

Hw Usb Ii G Xilinx Xilinx Hw Usb Ii G Platform Cable Usb Ii Development Kit 705 9737 Welcome To Rs Israel Online

New Version Dlc10 Xilinx Platform Usb Download Cable Jtag Programmer Debugger Adapter For Fpga Cpld Cpld C Mod Xc2c64a Xc2c256 Adapters For Programmer Adapter Programmeradapter Cable Usb Aliexpress

Xilinx Manual

1pc Brand New Xilinx Platform Cable Usb Ii Hw Usb Ii G Dlc10 Rs19 175 17 Picclick

Xilinx Platform Cable Usb Ii Dlc10 Aliexpress
2

Semiconductors Actives Xilinx Platform Cable Usb Ii Dlc10 Jtag Emulator Programmer Hw Usb Ii G Prt Integrated Circuits Ics Indianbusinesstrade Com
2

1pcs New Xilinx Platform Cable Usb Ii Hw Usb Ii G Dlc10 Plc Processors Business Industrial Sidra Hospital

1pcs New Xilinx Platform Cable Usb Ii Hw Usb Ii G Dlc10 Ebay
Q Tbn 3aand9gcqvam51xxh 3hqafkuhzydbjmqbvu B Lydn5fpltdvrgg M7 Usqp Cau

Xilinx Dlc10 Price Specs

Platform Cable Usb Xilinx Fpga Cpld Debugger Programer
Forums Xilinx Com T5 Spartan Family Fpgas Archived Platform Cable Usb Ii Could Detect Device But Fail To Program Td P

Hw Usb Ii G Dlc10 Xilinx Platform Cable Ii Original Downloader Usa

Hw Usb Ii G Xilinx Dlc10 Platform Cable Usb Ii Original Downloader Line

Hw Usb Ii G Dlc10 Xilinx Platform Cable Usb Ii Downloader Programmer Original Ebay

Name That Ware March 11 Bunnie S Blog

Xilinx Platform Cable Usb Ii Dlc10 Jtag Emulator Programmer For Sale Online Ebay

Xilinx Downloader Dlc10 Line Simulator Platform Cable Usb Xilinx Fpga Cpld 9
2
Solved Platform Cable Usb Ii Dlc10 Doesn T Work Community Forums

Ad Ebay Url Lot Of 2 Xilinx Dlc10 Platform Cable Usb Ii Downloader 1 Adapter W Flying Wire Usb Ebay Cable

Platform Cable Usb Ii Xilinx Vivado Chineseeverything S Diary

Semiconductors Actives Xilinx Platform Cable Usb Ii Dlc10 Jtag Emulator Programmer Hw Usb Ii G Prt Integrated Circuits Ics Indianbusinesstrade Com

Lot Of 2 Xilinx Platform Cable Usb Ii Hw Usb Ii Dlc10 Jtag Emulator Programmer Usb Cables
2

Platform Cable Usb Ii
Xilinx Platform Cable Usb Is Not Working In Window Community Forums

Xilinx Platform Cable Usb Ii Dlc10 Jtag Emulator Programmer For Sale Online Ebay
2

Xilinx Dlc10 Price Specs

Ad Ebay Xilinx Dlc10 Platform Cable Usb Ii Emulator Programmer Jtag 5vdc 0 15a Usb Ebay Development Board

Hw Usb Ii G Dlc10 Xilinx Platform Cable Usb Ii Downloader Programmer Original Other Integrated Circuits Business Industrial Sidra Hospital

Dlc10 Hw Usb Ii G Xilinx Platform Cable Usb Ii Youtube
Hw Usb Ii G Xilinx Inc Development Boards Kits Programmers Digikey

1pcs New Xilinx Platform Cable Usb Ii Hw Usb Ii G Dlc10 Plc Processors Business Industrial Sidra Hospital

Xilinx Platform Cable Usb Ii Dlc10 Jtag Emulator Programmer For Sale Online Ebay

Hw Usb Ii G Xilinx Platform Usb Ii Cable Fpga

Pin On Electronic Components And Semiconductors Electrical Equipment And Supplies

Platform Cable Usb Ii 全新xilinx原厂usb下载线hw Usb Ii G Dlc10 下载线 开发板商城

Xilinx Dlc10 Price Specs

Hw Usb Ii G Xilinx Dlc10 Platform Cable Usb Ii Downloader Line Screen Protectors Aliexpress

Xilinx Platform Cable Usb Ii Dlc10 Downloader Programmer Purchase In Pakistan Instock Pk

269 92 Xilinx U S Original Hw Usb Ii G Downloader Platform Cable Ii Download Line Dlc10 From Best Taobao Agent Taobao International International Ecommerce Newbecca Com

Platform Cable Usb Ii Xilinx Vivado Chineseeverything S Diary

Compare Dlc10 Hw Usb Ii G Xilinx Platform Cable Usb Ii Price In Singapore Best Buy In Singapore

Hw Usb Ii G Dlc10 Xilinx Platform Cable Ii Original U S Downloader
2
Xilinx Platform Cable Usb Is Not Working In Window Community Forums

Xilinx Download Cable Xilinx Platform Cable Usb Downloading Cpld Fpga

Plc Processors Automation Motors Drives Hw Usb Ii G Xilinx Platform Cable Usb Ii Downloader Line Plc Processors Business Industrial

Xilinx Usb Download Cable Platform Usb Cable Download Line Hw Usb Ii G Dlc10 Abs Sensor Aliexpress

Xilinx Hw Usb Iig Programmer In Circuit Platform Config And Prog Electronic Components Amazon Com Industrial Scientific

Amazon Com Platform Cable Usb Ii Dlc10 Pack Of 1 Hw Usb Ii G Industrial Scientific

Hw Usb Ii G Dlc10 Xilinx Platform Cable Usb Ii Downloader Programmer Original

Hw Usb Ii G Xilinx Dlc10 Platform Cable Ii Us Original Downloader Line Speaker Accessories Aliexpress

Worldwide Delivery Xilinx Platform Cable Usb In Nabara Online
Xilinx Platform Cable Usb Dlc10 Driver
2

Xilinx Platform Cable Usb Ii Model Dlc10 New 199 00 Picclick

Ad Ebay Xilinx Dlc10 Platform Cable Usb Ii Emulator Programmer In Usb Programmer Cable

1pcs New Xilinx Platform Cable Usb Ii Hw Usb Ii G Dlc10 Doutormulta Pt
2

Worldwide Delivery Xilinx Platform Cable Usb In Nabara Online

Xilinx Platform Cable Usb Ii Dlc10 With Flying Leds For Sale Knoppix Net

Hw Usb Ii G Dlc10 Xilinx Platform Cable Usb Ii Download Cable Support For Fpga Cpld Downloader Free Shipping Thanksbuyer

Bye Bye Platform Cable Usb Ii Hello Jtag Hs3 Fpga Developer

Compatible Xilinx Platform Cable Usb Fpga Cpld Jtag Slave Serial Spi Dlc9g In Circuit Download Debugger Programmer Xygstudy Computer Central Processing Units Amazon Com Industrial Scientific
Xilinx Platform Cable Usb Is Not Working In Window Community Forums
Xilinx Platform Cable Usb Is Not Working In Window Community Forums

Dlc10 Hw Usb Ii G Xilinx Platform Cable Usb Ii Aliexpress
2

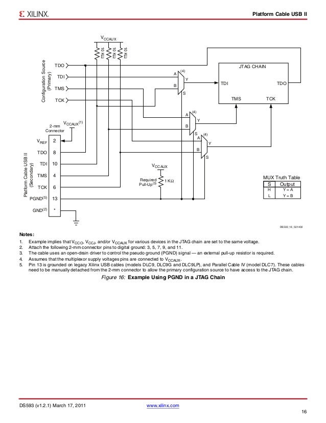
Platform Cable Usb Ii Data Sheet Ds593

Genuine Xilinx Hw Usb Ii G Platform Cable Usb Ii Dlc10 Programmer Jtag 126 00 Picclick

Hw Usb Ii G Xilinx Platform Cable Usb Ii Downloader Line Ebay

Hedge Txt Mostly Inactive Except When Not Spilled Coffee On My Desk And Had To Open Up Everything To Dry It Off So Opened Up The Xilinx Platform Cable Usb

Xilinx Dlc10 Platform Cable Usb Ii

1pcs New Xilinx Platform Cable Usb Ii Hw Usb Ii G Dlc10 Doutormulta Pt

Xilinx Dlc10 Platform Cable Usb Ii

Hedge Txt Mostly Inactive Except When Not Spilled Coffee On My Desk And Had To Open Up Everything To Dry It Off So Opened Up The Xilinx Platform Cable Usb
Usb Jtag Cable Driver Xilinx
Xilinx Platform Cable Usb Fpga Cpld Usb Download Cable Hs2 Dlc10 Satistronics

Dlc10 Hw Usb Ii G Xilinx Platform Cable Usb Ii Buy At The Price Of 30 In Aliexpress Com Imall Com

Compare Xilinx Usb Download Cable Platform Usb Cable Download Line Hw Usb Ii G Dlc10 Price In Singapore Best Buy In Singapore

Hw Usb Ii G Xilinx Dlc10 Platform Cable Ii Downloader Line Air Conditioner Parts Aliexpress

Platform Cable Usb Ii Xilinx Mouser

Hw Usb Ii G Xilinx Dlc10 Platform Cable Usb Ii Original Downloader Line

269 92 Xilinx U S Original Hw Usb Ii G Downloader Platform Cable Ii Download Line Dlc10 From Best Taobao Agent Taobao International International Ecommerce Newbecca Com

Usd 275 80 Hw Usb Ii G Xilinx Dlc10 Platform Cable Original Downloader Cable Wholesale From China Online Shopping Buy Asian Products Online From The Best Shoping Agent Chinahao Com

252 08 Xilinx U S Original Hw Usb Ii G Downloader Platform Cable Ii Download Line Dlc10 From Best Taobao Agent Taobao International International Ecommerce Newbecca Com

Usd 470 00 Original Imported Hw Usb Ii G Xilinx Download Line Dlc10 Platform Cable Usb Ii Wholesale From China Online Shopping Buy Asian Products Online From The Best Shoping Agent Chinahao Com

Xilinx Platform Cable Usb Ii Dlc10 Programmer Debugger For Sale Online Ebay